一种智能节能环保的有机垃圾处理机

2018-04-25 11:00| 发布者: | 查看: |

 [0001] 技术领域

[0002] 本发明涉及垃圾处理的技术领域,尤其涉及一种智能节能环保的有机垃圾处理机。

[0003] 背景技术

[0004] 餐饮垃圾是居民在生活消费过程中形成的一种生活生物,其来源主要是饭碗、食堂、街头小吃等场所。所含的各种有机物质在夏天极易腐蚀,餐饮垃圾中剩菜汤、馊水等含量很大,容易在垃圾的收集、运输过程中造成污染。同时餐饮垃圾又是垃圾填埋场所渗滤液的主要来源,也是大气污染和苍蝇滋生重要原因。由餐饮垃圾喂养的猪和提炼的泔水油流向市场已经严重危害了市民的健康。大量的餐饮垃圾已经成为城市污染以及危害人类健康的主要来源,餐饮垃圾的科学暨无害化处理,已成为城市管理和建设的根本出路。

[0005] 发明内容

[0006] 本发明的目的是为了解决现有技术中存在的缺点,而提出的一种智能节能环保的有机垃圾处理机。

[0007] 为了实现上述目的,本发明采用了如下技术方案:

[0008] 一种智能节能环保的有机垃圾处理机,包括箱体、箱盖和控制盒,所述箱体的上方安装有箱盖,箱体的侧边安装有控制盒,所述箱盖的上方设有第一通孔,所述第一通孔内安装有加料道,所述加料道的底部安装有刀辊轨道,加料道与辊轨道垂直且连通,所述刀辊轨道为一端敞口的圆柱体,刀辊轨道上与敞口相对的一侧设有第二通孔,刀辊轨道上与敞口相对的一侧安装有第一电机,第一电机的输出轴穿过第二通孔连接有刀辊的一端,且刀辊呈蜗杆状结构,所述刀辊位于刀辊轨道的内部,刀辊轨道的底部设有两条平行布置的第一横担,且刀辊轨道与第一横担固定连接,所述第一横担的两端分别固定在箱体两侧的内壁上,刀辊轨道的底部远离第一电机的一侧安装有倒置的第一气缸,所述第一气缸的活塞杆的末端安装有第一压块,所述第一压块远离第一气缸的一端为锥状的凹面结构,第一压块的下方设有污水盒,且污水盒为一端敞口的圆柱体结构,所述污水盒内部的底部设有第三通孔,污水盒内部的底部设有缸套,且缸套与第三通孔连通,所述缸套的侧边设有第四通孔,缸套的外侧顶部与污水盒内部的顶部之间安装有过滤网,污水盒的底部设有两条平行布置的第二横担,且污水盒与第二横担固定连接,所述第二横担的两端分别固定在箱体两侧的内壁上,污水盒的底部安装有第二气缸,所述第二气缸的活塞杆的末端安装有密封板,所述密封板远离第二气缸的一端设有第二压块,所述第二压块远离密封板的一端为锥状的凸面结构,污水盒的侧边底部通过水管连接有油水分离器,污水盒的下方安装有传送带装置,所述传送带装置的下方安装有发酵罐。

[0009] 优选的,所述第一压块位于缸套的正上方,第二压块位于缸套的正下方。

[0010] 优选的,所述传送带装置包括传送带、主动轮和从动轮,主动轮的两端和从动轮的两端均安装在箱体两侧的内壁上,主动轮的一端安装有第二电机,且第二电机位于箱体的外侧。

[0011] 优选的,所述发酵罐为微生物生化降解发酵池。

[0012] 优选的,所述发酵罐的顶部设有进料口,进料口上安装有闷盖。

[0013] 优选的,所述加料道的顶端设有锥形的漏斗,漏斗的顶端安装有端盖。

[0014] 优选的,所述控制盒的内部设有芯片,芯片与第一电机、第二电机、第一气缸以及第二气缸电连接。

[0015] 优选的,所述过滤网为不锈钢金属过滤网。

[0016] 与现有技术相比,本发明的有益效果是:

[0017] 通过设置刀辊,可以将餐饮废渣充分切碎,这样便于油水分离和发酵,加快了处理的速度,非常高效节能;通过设置第一压块和第二压块,可以将餐饮废渣充分压干,达到固液充分分离,效率非常高;通过设置发酵罐和油水分离器,可以充分将分离的固态残渣变废为宝,成为生产的肥料,非常环保;通过设置控制器,可以实现智能化的控制过程。

[0018] 附图说明

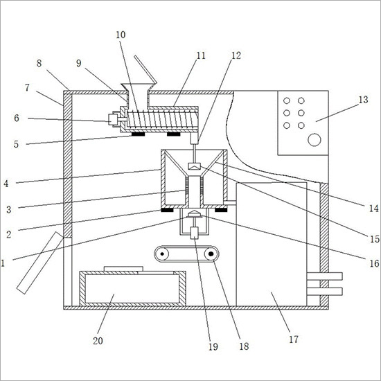
[0019] 图1为本发明提出的一种智能节能环保的有机垃圾处理机的结构示意图。

[0020] 图中:1密封板、2第二横担、3缸套、4污水盒、5第一横担、6第一电机、7箱体、8箱盖、9加料道、10刀辊、11刀辊轨道、12第一气缸、13控制盒、14过滤网、15第一压块、16第二压块、17油水分离器、18传送带装置、19第二气缸、20发酵罐。

[0021] 具体实施方式

[0022] 下面将结合本发明实施例中的附图,对本发明实施例中的技术方案进行清楚、完整地描述,显然,所描述的实施例仅仅是本发明一部分实施例,而不是全部的实施例。

[0023] 参照图1,一种智能节能环保的有机垃圾处理机,包括箱体7、箱盖8和控制盒13,箱体7的上方安装有箱盖8,箱体7的侧边安装有控制盒13,箱盖8的上方设有第一通孔,第一通孔内安装有加料道9,加料道9的底部安装有刀辊轨道11,加料道9与辊轨道11垂直且连通,刀辊轨道11为一端敞口的圆柱体,刀辊轨道11上与敞口相对的一侧设有第二通孔,刀辊轨道11上与敞口相对的一侧安装有第一电机6,第一电机6的输出轴穿过第二通孔连接有刀辊10的一端,且刀辊10呈蜗杆状结构,刀辊10位于刀辊轨道11的内部,刀辊轨道11的底部设有两条平行布置的第一横担5,且刀辊轨道11与第一横担5固定连接,第一横担5的两端分别固定在箱体7两侧的内壁上,刀辊轨道11的底部远离第一电机6的一侧安装有倒置的第一气缸12,第一气缸12的活塞杆的末端安装有第一压块15,第一压块15远离第一气缸12的一端为锥状的凹面结构,第一压块15的下方设有污水盒4,且污水盒4为一端敞口的圆柱体结构,污水盒4内部的底部设有第三通孔,污水盒4内部的底部设有缸套3,且缸套3与第三通孔连通,缸套3的侧边设有第四通孔,缸套3的外侧顶部与污水盒4内部的顶部之间安装有过滤网14,污水盒4的底部设有两条平行布置的第二横担5,且污水盒4与第二横担5固定连接,第二横担5的两端分别固定在箱体7两侧的内壁上,污水盒4的底部安装有第二气缸19,第二气缸19的活塞杆的末端安装有密封板1,密封板1远离第二气缸19的一端设有第二压块16,第二压块16远离密封板1的一端为锥状的凸面结构,污水盒4的侧边底部通过水管连接有油水分离器17,污水盒4的下方安装有传送带装置18,传送带装置18的下方安装有发酵罐20,第一压块15位于缸套3的正上方,第二压块16位于缸套3的正下方,传送带装置18包括传送带、主动轮和从动轮,主动轮的两端和从动轮的两端均安装在箱体7两侧的内壁上,主动轮的一端安装有第二电机,且第二电机位于箱体7的外侧,发酵罐20为微生物生化降解发酵池,发酵罐20的顶部设有进料口,进料口上安装有闷盖,加料道9的顶端设有锥形的漏斗,漏斗的顶端安装有端盖,控制盒13的内部设有芯片,芯片与第一电机6、第二电机、第一气缸12以及第二气缸19电连接,过滤网14为不锈钢金属过滤网。

[0024] 使用时,将餐饮废渣从加料道9顶端的漏斗倒入,启动第一电机6,蜗杆状的刀辊10开始转动,将餐饮废渣充分切碎,然后蜗杆状的刀辊10将切碎的餐饮废渣推入到过滤网14,餐饮废渣掉落到缸套3的内部,部分油水流入到污水盒4,启动第一气缸12和第二气缸19,利用第一压块15和第二压块16将餐饮废渣充分挤压,挤出的油水从缸套3上的第四通孔流入到污水盒4,污水最后进入油水分离器(17)进行分离,分别得到油和水,压干后的废渣经过传送带进入发酵罐20充分发酵,作为生产用肥料。

[0025] 以上所述,仅为本发明较佳的具体实施方式,但本发明的保护范围并不局限于此,任何熟悉本技术领域的技术人员在本发明揭露的技术范围内,根据本发明的技术方案及其发明构思加以等同替换或改变,都应涵盖在本发明的保护范围之内。

<
>
 
QQ在线咨询
售前咨询热线
15999523377
售后服务热线
075532957711
返回顶部